- DNC系列標準氣缸(ISO6431)
- DNG系列標準氣缸 (ISO15552)
- SI系列標準氣缸(ISO6431)
- SC/SU系列標準氣缸
- MB系列標準氣缸
- CA2系列標準氣缸
- XEN/XNEG 系列導(dǎo)桿氣缸
- MA6432系列迷你氣缸(ISO6432)
- MA系列迷你氣缸
- MAL系列迷你氣缸
- CM2系列迷你氣缸
- CJ2系列迷你氣缸
- ADVU系列薄型氣缸
- ADN系列薄型氣缸(ISO21287)
- SDA系列薄型氣缸
- ACQ系列薄型氣缸
- CQ2系列薄型氣缸
- CJP系列針型氣缸
- TN系列雙缸氣缸
- CXS系列雙缸氣缸
- CU系列自由安裝氣缸
- STM系列滑臺氣缸
- MGP系列帶導(dǎo)桿氣缸
- RSQ系列定程桿氣缸
- XCK 系列夾緊氣缸
- MSQ系列齒桿式回轉(zhuǎn)擺動氣缸
- CRQ2系列薄型齒條式旋轉(zhuǎn)擺動氣缸
- CRA1系列齒條式旋轉(zhuǎn)擺動氣缸
- XH系列氣動手指
- XHSH系列平行開閉型氣動手指
- SRC系列旋轉(zhuǎn)氣缸
- ACK系列轉(zhuǎn)角氣缸
- MXH系列小型直線導(dǎo)軌氣動滑臺
- MXS系列氣動滑臺
- MXQ系列氣動滑臺
- CRB2系列葉片式擺動氣缸
- MRHQ系列大型葉片式擺動氣缸
- MSUB高精度型葉片式擺動氣缸
- MU系列橢圓形活塞氣缸(桿不回轉(zhuǎn))
- CY3系列無桿氣缸
- 氣缸套件
- ISO標準氣缸附件
- 標準氣缸附件
- 迷你氣缸附件
- 氣缸管&活塞桿
- 磁性開關(guān)
- 油壓緩沖器
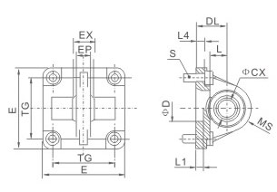
|
符號/缸徑 |
32 |
40 |
50 |
63 |
80 |
100 |
|
TG
|
32.5
|
38 |
46.5
|
56.5 |
72 |
89 |
|
ΦCK |
10 |
12 |
16 |
16 |
20 |
20 |
|
DL
|
22
|
25
|
27
|
32
|
36
|
41
|
|
L |
12 |
15 |
15 |
20 |
20 |
25 |
|
EX |
14 |
16 |
21 |
21 |
25 |
25 |
|
EP |
10.5 |
12 |
15 |
15 |
18 |
18 |
|
S |
M6X20 |
M6X20 |
M8X20 |
M8X20 |
M10X25 |
M10X25 |
|
L4 |
5.5 |
5.5 |
6.5 |
6.5 |
10 |
10 |
|
D |
30 |
35 |
40 |
45 |
45 |
55 |
|
L1 |
7 |
7 |
7 |
7 |
9 |
9 |
|
E
|
45
|
52
|
65
|
75
|
95
|
115
|
|
MS
|
16
|
18
|
21
|
23
|
28
|
30
|


